XG系列星形給料機


一、XG系列星形給料機特點
1.該XG系列星形給料機結構簡單,操作方便*運轉乎穩,噪音低。
2.XG系列星形給料機給料連續均勻。
3.XG系列星形給料機體積小,重量輕。
4.XG系列星形給料機具備防銹、耐蝕。
5 XG系列星形給料機配用防溫電機 適用于有防攝要求的場合。


XG系列星形給料機用戶現場1
二、XG系列星形給料機用途
XG系列星形給料機(轉閥)是在引進消化國外同類產品的基礎上,經我廠改進設計的一種新型給料設備。該XG系列星形給料機可將干燥粉狀或小顆粒狀物料均勻地輸送給受料裝置,XG系列星形給料機同時具有鎖風、隔壓功能,能有效地解決有壓差情況下的給料,特別適用于化工、制藥、食品等行業。

XG系列星形給料機用戶現場2
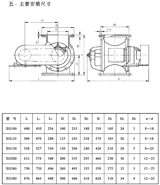
三、XG系列星形給料機型號及參數




一、XG系列星形給料機特點
1.該XG系列星形給料機結構簡單,操作方便*運轉乎穩,噪音低。
2.XG系列星形給料機給料連續均勻。
3.XG系列星形給料機體積小,重量輕。
4.XG系列星形給料機具備防銹、耐蝕。
5 XG系列星形給料機配用防溫電機 適用于有防攝要求的場合。


XG系列星形給料機用戶現場1
二、XG系列星形給料機用途
XG系列星形給料機(轉閥)是在引進消化國外同類產品的基礎上,經我廠改進設計的一種新型給料設備。該XG系列星形給料機可將干燥粉狀或小顆粒狀物料均勻地輸送給受料裝置,XG系列星形給料機同時具有鎖風、隔壓功能,能有效地解決有壓差情況下的給料,特別適用于化工、制藥、食品等行業。

XG系列星形給料機用戶現場2
三、XG系列星形給料機型號及參數










