GZ系列電磁振動給料機的工藝配置

1、安裝傾角:
本系列電振給料機用做給料時推薦下傾100安裝使用,對于粘性物料及含水量較大的物料也可將下傾角度增加到150。如給料機用于配料、定量給料或自動稱量時,為保證給料量的均勻穩定,防止物料自流,給料機應水平安裝使用。
2、漏嘴的配置:
本系列電振機機設計時不考慮倉壓影響,為保證給料機正常運轉,必須盡量減少倉壓對給料機的影響。因此在設計漏嘴時應用漏嘴的后側板承擔料柱的垂直壓力,漏嘴型式及配置尺寸可參考圖14及表8。
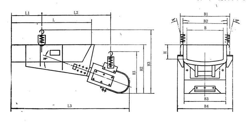
基本型外形尺寸 ?。ê撩祝?/div>
型 號
B
B1
B2
B3
B4
L
L1
L2
L3
H
H1
H2
H3
GZ1
200
280
340
296
376
600
209
550
910
100
350
360
485
GZ2
300
388
456
400
506
800
310
660
1175
120
430
450
600
GZ3
400
496
518
452
574
900
311
790
1325
150
480
520
675
GZ4
500
620
682
581
762
1100
413
965
1615
200
550
645
814
GZ5
700
850
761
650
840
1200
465
1050
1815
250
647
765
980
圖8(a)
基本型外形尺寸 ?。ê撩祝?/div>
型 號
B
B1
B2
B3
B4
L
L1
L2
L3
H
H1
H2
H3
GZ10
1800
2014
2304
1000
~2500
2500
750
2120
~3630
375
~1500
~1450
~2235
GZ11
2234
2234
2425
1010
~2640
2800
900
2370
~4060
375
~1580
~1545
~2310
圖8(c)
基本型外形尺寸 (毫米)
型 號
B
B1
B2
B3
B4
L
L1
L2
L3
L4
H
H1
H2
H3
H4
R
GZ6
900
1057
720
860
1092
1600
500
1470
2410
1409
250
1090
1030
1530
460
1800
GZ7
1100
1257
840
1030
1332
1800
650
1465
2800
1585
250
1300
1130
1740
500
2200
GZ8
1300
1476
1000
1166
1556
2200
750
1800
3302
1938
300
1460
1343
1995
607
2600
GZ9
1500
1676
1010
1228
1776
2400
800
2000
3515
2100
300
1520
1440
2200
660
3500
圖8(b)
3、閘門
使用時料倉出口應設置閘門,以便于調節料槽中料層厚度及維修更換料槽時關閉料倉中的物料用。
表3 工藝配置數值表 (毫米)
符號
GZ1
GZ2
GZ3
GZ4
GZ5
GZ6
GZ7
GZ8
GZ9
GZ10
GZ11
A
20
20
20
20
20
30
30
30
30
30
30
B
<50
<65
<90
<110
<150
<200
<250
>300
<350
<400
<450
C
20
20
20
40
40
50
50
60
60
70
70
D
150
150
250
250
350
500
600
700
800
1000
1000
10
10
15
15
15
20
20
25
25
30
30
相關產品

1、安裝傾角:
本系列電振給料機用做給料時推薦下傾100安裝使用,對于粘性物料及含水量較大的物料也可將下傾角度增加到150。如給料機用于配料、定量給料或自動稱量時,為保證給料量的均勻穩定,防止物料自流,給料機應水平安裝使用。
2、漏嘴的配置:
本系列電振機機設計時不考慮倉壓影響,為保證給料機正常運轉,必須盡量減少倉壓對給料機的影響。因此在設計漏嘴時應用漏嘴的后側板承擔料柱的垂直壓力,漏嘴型式及配置尺寸可參考圖14及表8。
.jpg)
基本型外形尺寸 ?。ê撩祝?/div>
|
型 號
|
B
|
B1
|
B2
|
B3
|
B4
|
L
|
L1
|
L2
|
L3
|
H
|
H1
|
H2
|
H3
|
|
GZ1
|
200
|
280
|
340
|
296
|
376
|
600
|
209
|
550
|
910
|
100
|
350
|
360
|
485
|
|
GZ2
|
300
|
388
|
456
|
400
|
506
|
800
|
310
|
660
|
1175
|
120
|
430
|
450
|
600
|
|
GZ3
|
400
|
496
|
518
|
452
|
574
|
900
|
311
|
790
|
1325
|
150
|
480
|
520
|
675
|
|
GZ4
|
500
|
620
|
682
|
581
|
762
|
1100
|
413
|
965
|
1615
|
200
|
550
|
645
|
814
|
|
GZ5
|
700
|
850
|
761
|
650
|
840
|
1200
|
465
|
1050
|
1815
|
250
|
647
|
765
|
980
|
圖8(a)
基本型外形尺寸 ?。ê撩祝?/div>
|
型 號
|
B
|
B1
|
B2
|
B3
|
B4
|
L
|
L1
|
L2
|
L3
|
H
|
H1
|
H2
|
H3
|
|
GZ10
|
1800
|
2014
|
2304
|
1000
|
~2500
|
2500
|
750
|
2120
|
~3630
|
375
|
~1500
|
~1450
|
~2235
|
|
GZ11
|
2234
|
2234
|
2425
|
1010
|
~2640
|
2800
|
900
|
2370
|
~4060
|
375
|
~1580
|
~1545
|
~2310
|
圖8(c)
基本型外形尺寸 (毫米)
|
型 號
|
B
|
B1
|
B2
|
B3
|
B4
|
L
|
L1
|
L2
|
L3
|
L4
|
H
|
H1
|
H2
|
H3
|
H4
|
R
|
|
GZ6
|
900
|
1057
|
720
|
860
|
1092
|
1600
|
500
|
1470
|
2410
|
1409
|
250
|
1090
|
1030
|
1530
|
460
|
1800
|
|
GZ7
|
1100
|
1257
|
840
|
1030
|
1332
|
1800
|
650
|
1465
|
2800
|
1585
|
250
|
1300
|
1130
|
1740
|
500
|
2200
|
|
GZ8
|
1300
|
1476
|
1000
|
1166
|
1556
|
2200
|
750
|
1800
|
3302
|
1938
|
300
|
1460
|
1343
|
1995
|
607
|
2600
|
|
GZ9
|
1500
|
1676
|
1010
|
1228
|
1776
|
2400
|
800
|
2000
|
3515
|
2100
|
300
|
1520
|
1440
|
2200
|
660
|
3500
|
圖8(b)
3、閘門
使用時料倉出口應設置閘門,以便于調節料槽中料層厚度及維修更換料槽時關閉料倉中的物料用。
表3 工藝配置數值表 (毫米)
|
符號
|
GZ1
|
GZ2
|
GZ3
|
GZ4
|
GZ5
|
GZ6
|
GZ7
|
GZ8
|
GZ9
|
GZ10
|
GZ11
|
|
A
|
20
|
20
|
20
|
20
|
20
|
30
|
30
|
30
|
30
|
30
|
30
|
|
B
|
<50
|
<65
|
<90
|
<110
|
<150
|
<200
|
<250
|
>300
|
<350
|
<400
|
<450
|
|
C
|
20
|
20
|
20
|
40
|
40
|
50
|
50
|
60
|
60
|
70
|
70
|
|
D
|
150
|
150
|
250
|
250
|
350
|
500
|
600
|
700
|
800
|
1000
|
1000
|
|
|
10
|
10
|
15
|
15
|
15
|
20
|
20
|
25
|
25
|
30
|
30
|









